Радио 2003 - 2 стр. 36, 37

Прошивку контроллера можно скачать отсюда: http://izmer-ls.ru/met/telap.zip

Многофункциональный аппарат телефонного мастера
-Беркут-

И. ЧЕРНЕВ, г. Липецк

Предлагаемое устройство поможет специалистам АТС проверить и настроить различные узлы коммутационного оборудования! абонентских установок, средств автоматики. Оно содержит телефонный аппарат с расширенными возможностями, тональный автоответчик, генератор сигналов, частотомер.

Аппарат предназначен для применения, в первую очередь, обслуживающим персоналом автоматических телефонных станций (АТС). Целью его создания было объединить в одном устройстве ряд необходимых приборов и заменить тем самым персональную трубку, которая есть у каждого электромонтера, электромеханика, а порой и у инженера.

Основные функции телефонного аппарата:
- расшифровка сигналов АТС;
- отображение информации на индикаторе;
- автоматическое дозванивание при снятии трубки с ТА;
- автоматическое дозванивание нажатием на одну кнопку;
- автоматическое дозванивание по таймеру;
- автоматическое дозванивание по последнему введенному номеру;
- память на 5+1 номеров (до 15 знаков в каждом);
- звуковое подтверждение нажатия кнопок;
- учет длительности разговора;
- часы;
- будильник.

Аппарат позволяет вести разговор, выводить в абонентскую линию, а также на отдельный выход сигналы звуковой частоты, измерять сигналы взаимодействия автоматических станций, измерять частоту сигналов как частотомер. Сегодня для выполнения этих измерений используются частотомеры, генераторы низкочастотного сигнала, осциллографы и т. д. Но в ряде случаев такое использование сомнительно по ряду причин.

Во-первых, трудно возить по всему району частотомер или осциллограф, если они даже самые современные (размеры позволяют это делать). Даже если вы заранее знаете, что понадобится, тряска по российским дорогам - не.самые лучшие условия для измерительного прибора такого класса.

Во-вторых, нет смысла измерять величины с высокой точностью (по крайней мере, всегда), когда по нормам параметры имеют широкие допуски. Например, сигнал "Ответ станции" имеет частоту 425 Гц, а пределы допуска ±25 Гц для некоторых АТС. Зачем измерять этот сигнал с точностью 425,05 Гц, например, частотомером 43-34, если его значение допускается в пределах от 400 до 450 Гц? В результате на практике многие параметры не измеряют вообще.

При поиске пары в кабеле может быть использован еще один человек с аппаратом или специальный тестер с НЧ генератором, самодельный генератор НЧ, сертифицированный генератор НЧ сигнала ГЗ-118. Использование предложенного прибора упростит процедуру поиска, а в ряде случаев он просто незаменим. Ни одним из перечисленных способов нельзя подать в линию, находящуюся под напряжением станционной батареи, НЧ сигнал без дополнительного приспособления.

Использование предложенного аппарата позволит с достаточной точностью и быстро измерить некоторые величины, в некоторых случаях даже не выезжая на станцию и не прибегая к дорогостоящим приборам. Я не предлагаю отказываться от применения сертифицированных измерительных приборов, я предлагаю для узкоспециальных измерений использовать узкоспециальный прибор. В результате обслуживающий персонал возьмет с собой прибор весом максимум 500 г вместо нескольких приборов весом от 5 кг и выше каждый. Выигрыш в весе и потреблении электроэнергии - десятки раз.

Линейная часть соответствует линейной части аппарата первого класса. Тональный автоответчик работает так: принимает три сигнала посылки вызова с уровнем от 15 до 150 В с частотой от 15 до 50 Гц и выдает в линию сигнал с частотой 700 Гц, уровнем 0,5 В на нагрузке 600 Ом длительностью 4 с. Генератор низкочастотного сигнала имеет диапазон частот от 1 до 500 Гц. Длительность импульса и паузы переменная, от 0,1 до 999 мс. Число повторов - от 1 до 999 или бесконечно. Диапазон измерения частоты сигнала "Ответ станции" - от 350 до 500 Гц, а сигнала "Посылка вызова" - от 15 до 50 Гц.

Питание - от сети 220 В (от внешнего ИП) или от батареи аккумуляторов. Ток,потребления - 25 мА (пиковое значение-100 мА).

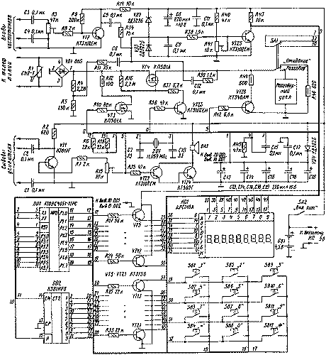
Схема устройства показана на рисунке. Основным элементом, управляющим работой всего аппарата, является микроконтроллер DD1. Вся информация высвечивается на индикаторе HG1. Узел формирования сигнала переключения разрядов для динамической индикации собран на счетчике DD2 и транзисторах VT13-VT21. Информация на индикатор поступает через порт Р1 контроллера DD1 и транзисторы VT5-VT12. В началв каждого цикла вывода изображения с выхода Р3.5 DD1 приходит сигнал сброса счетчика DD2.

Тональный сигнал в линию, а такжв сигнал для вь|дачи на выход формируются на выходе РЗ.О контроллера DD1. Усилитель сигнала в линию собран на транзисторе VT26, а для выдачи на выход - на транзисторе VT1. Описанные сигналы, сигналы звукового подтверждения нажатия кнопок и сигнал вызова поступают по цепи R35, VT22, VT24 на динамическую головку ВА1.

Сигнал замыкания шлейфа контроллер выдавт на выходе Р3.3, а сигнал набора номера - на выходе Р3.1.

Сигнал посылки вызова из абонентской линии поступает чврез диодный мост VD1 на резистивный делитель R4R5. Ослабленный сигнал по цепи R11C6R38 поступает на вход усилителя на транзисторе VT25, а с него - на вход Р3.4 контроллера DD1. Подстроечным резистором R41 можно регулировать чувствительность этого усилителя. Диоды VD2 и VD3 защищают транзистор VT25 от перегрузок.

Тональный сигнал "Ответ станции" снимается с нагрузки абонентской линии - резистора R46 - и через цепь R39C12 поступает на усилитель (транзистор VT25).

Усилитель на транзисторе VT2 предназначен для усиления сигнала, поступающего на вход в режиме частотомера. Через цепь C5R34 этот сигнал поступает на вход усилителя на транзисторе VT25.

Питание на котроллер DD1 и счетчик DD2 подано через фильтр, состоящий из диода VD4 и конденсаторов С13, С14, С16-С19. Совместно эти компоненты заметно снижают броски напряжения. Пропадание питающего напряжения с сетевого блока на время до 1 с не мешает работе устройства.

Разговорный узел применен стандартный, подойдет от любого телефонного аппарата. Рычажный переключатель SA1 переключает абонентскую линию с резистора R46 на разговорный узел.

Клавиатура применена стандартная, 3x4, всего 12 кнопок. Сигналы с кнопок подаются в контроллер DD1 в порт Р1. Во время индикации контроллер анализирует состояние кнопок. Если кнопка нажата постоянно, возможно гашение соответствующего сегмента на индикаторе.

Теперь рассмотрим налаживание узлов аппарата. Начнем с того, что первое включение нужно производить без контроллера DD1. Левый .по схеме вывод резистора R10 следует подключить к общему проводу, а вывод резистора R36 - к плюсовому выводу источника питания. К выводам телефонной линии нужно параллельно подключить переменный резистор сопротивлением 3 кОм мощностью не менее 2 Вт, выставив на нем максимальное сопротивление. К коллектору транзистора VT25 нужно подключить осциллограф. Общий провод осциллографа необходимо подключить к общему проводу устройства через конденсатор емкостью 0,47 мкФ с рабочим напряжением не менее 250 В.

При подключении источника питания общее потребление тока должно быть не более 10 мА. Теперь левый вывод резистора R36 следует подключить к общему проводу, транзистор VT23 закроется, a VT4 - откроется. Аппарат нагрузит телефонную линию. Поворачивая движок резистора R41, нужно добиться появления сигнала "Ответ станции" на осциллографе. Затем к линии подключают милливольтметр. Поворачивая движок дополнительного резистора, проверяют пределы чувствительности усилителя на транзисторе VT25. Особенно увлекаться чувствительностью не стоит, в реальной работе сигнал "Ответ станции" имеет достаточный уровень. Сигналы "Занято" и "КПВ" по уровню превышают сигнал "Ответ станции".

После настройки усилителя на транзисторе VT25 движок резистора R41 не трогать. Отключить милливольтметр от линии, а затем и дополнительный резистор. Подключить резистор R36 к плюсовому выводу источника питания. Аппарат отключится от линии.

Для контроля прохождения вызывного сигнала нужно позвонить с другого аппарата на настраиваемый. На осциллографе должны появиться импульсы сигнала посылки вызова. Чувствительность можно регулировать подбором резисторов R4, R5, R11.

Для проверки подачи сигнала в линию нужно подключить вместо абонентской линии источник питания напряжением 15...20 В, рассчитанный на ток 100 мА. Затем подать с НЧ генератора сигнал частотой 2500 Гц с уровнем не менее 2 В на левый по схеме вывод резистора R35. В динамической головке ВА1 должен быть слышен звук. Подать на левый вывод резистора R36 низкий уровень, а к выводам линии подключить через конденсатор головные телефоны сопротивлением 300 Ом. В них должен быть слышен поданный сигнал. Его уровень должен быть около 0,5 В. Если он отличается от этого значения, подбирают резисторы R42 и R44.

После этого нужно отключить питание аппарата и установить микроконтроллер. Включить питание. В исходном состоянии аппарат выводит на индикатор число номеров в ОЗУ текущее время с секундами "5_12-3345", опрашивает клавиатуру и абонентскую линию. При отсутствии индикации проверяют наличие сигнала частотой 60 Гц на выводе 9 контроллера DD1 и сигнала частотой 540 Гц на выводе 11. Если их нет, нужно отключить питание, отсоединить указанные выводы от цепей устройства (например, отгибанием этих выводов микросхемы) и снова проверить наличие сигналов. Если импульсов нет, проверяют работу задающего генератора (сигнал частотой 11,059 МГц на выводе 4 DD1).

Если контроллер выдает все указанные сигналы, а индикации все равно нет, то причина может быть в неисправности счетчика DD2. При отсутствии изображения в каком-то разряде следует проверить соответствующие резисторы и транзисторы. Яркость свечения индикатора можно увеличить, применив резисторы R17-R33 меньшего сопротивления. Это приведет к увеличению общего тока потребления.

При включении питания необходимо выполнить предварительные установки: установить текущее время, время срабатывания таймера, режим таймера и номера в ОЗУ В противном случае устройство начнет работать с исходными установками. Часы будут отсчитывать время с нуля. Таймер установлен на 25 часов 25 минут, т. е. никогда не произойдет совпадение таймера с текущим временем. Номера в ОЗУ будут сохранены в процессе работы. Для набора номера нужно набрать на клавиатуре необходимый номер. Пауза между первой и второй цифрами должна быть не более 2 с. При наборе на индикатор выводятся набираемые цифры. После ввода пятой цифры аппарат подключится к линии и начнет набор номера. После завершения набора аппарат начинает отсчитывать время и на индикаторе появится сообщение "-РАЗ-047-". Для разговора нужно переключить переключатель SA1 в положение "Разговор". Если это не сделать, через 20 с аппарат отключится от линии и перейдет в исходное состояние.

Выводимый сигнал с генератора всегда подается в линию, выводится на выход через выходной усилитель и слышен в динамической головке.

При выполнении неправильных действий аппарат издает длинный звуковой сигнал и выдает на индикатор "НЕВЕРНО" (например, если не заданы все параметры для генератора) и приглашает к дальнейшим действиям:

Если после автонабора не переключить переключатель в положение "Разговор", аппарат через 20 с после набора номера отключится от линии и перейдет в исходное состояние.

Аппарат звуковым сигналом подтверждает нажатие кнопок, а также осуществляет автоповтор нажатия кнопки, если кнопка нажата постоянно. При вводе более 9 цифр информация на индикаторе сдвигается влево. На индикаторе видны последние 9 цифр номера.

Теперь подробно рассмотрим инструкцию по пользованию аппаратом.

ПОДГОТОВКА АППАРАТА К РАБОТЕ

Включить питание. Аппарат издаст звуковой сигнал. На индикаторе последовательно появится "tA-21 001", "yCt ЧАСОВ" и приглашение Ввести "ЧЧMMZZDDG", где ЧЧ - часы, ММ - минуты, ZZ - число, DD - месяц, G - год.

Нажать кнопку "*". На индикаторе появится "-yet БУа"-" и приглашение Ввести "ААВВЕЕ", где ААВВ - время срабатывания будильника или время выполнения автоматического дозванивания, АА - часы, ВВ - минуты. Если ЕЕ - 00, установлен будильник, если ЕЕ = 02, установлено автоматическое дозванивание в установленное время. Нажать "*". На индикаторе появится "-yCt ОЗУ-" и приглашение Ввести в ОЗУ первый номер от 1 до 15 знаков. По этому номеру аппарат выполнит набор при снятии трубки с аппарата. Нажать кнопку "*". На индикаторе появится "К л ЧЧ-ММСС". Это исходное состояние. К-число номеров в ОЗУ ЧЧ- часы, ММ - минуты, СС - секунды. Часы показывают введенное время. Ввести в ОЗУ второй номер. Это номер, по которому аппарат выполнит автоматическое дозванивание по таймеру. Следующие номера в ОЗУ можно не вводить. Они будут сохранены в ОЗУ по мере ввода во время работы. До ввода последнего номера в ОЗУ вызвать номер из ОЗУ невозможно.

АВТОМАТИЧЕСКОЕ ДОЗВАНИВАНИЕ ПРИ СНЯТИИ ТРУБКИ С АППАРАТА

Снять трубку с аппарата. Появится приглашение В течение 2 с не набирать номер на клавиатуре. Аппарат выведет из ОЗУ первый номер на индикатор, сделает паузу 2 с для принятия решения о дальнеших действиях и выполнит набор номера.

АВТОМАТИЧЕСКОЕ ДОЗВАНИВАНИЕ ПО НОМЕРУ ИЗ ОЗУ

Набор номера из ОЗУ. Набрать на клавиатуре порядковый номер ячейки (1-5), где находится необходимый номер. На индикаторе высветится набранная цифра. Аппарат выдержит паузу 2 с и выведет на индикатор весь номер. Еще через 2 с аппарат подключится к линии и начнет набирать номер. В течение этих 2 с можно отменить действие кнопкой "*", в противном случае аппарат наберет вызванный номер. По завершению набора номера на индикаторе появится сообщение "-РАЗ-ХХХ-", где XXX - длительность в секундах. Для разговора нужно перевести переключатель в положение "Разговор" на любом этапе процесса соединения, но не позднее 20 с после завершения набора номера аппаратом.

ВЫПОЛНЕНИЕ ЗВОНКА ПО ПРОИЗВОЛЬНОМУ НОМЕРУ

Набрать на клавиатуре необходимый номер. После набора 5-й цифры аппарат начнет набирать номер в линию. При ответе вызываемого абонента для разговора перевести переключатель на аппарате в положение "Разговор". После набора номера на индикаторе появится сообщение "-РАЗ-ХХХ-". Время отсчиты-вается с момента окончания набора.

АВТОМАТИЧЕСКОЕ ДОЗВАНИВАНИЕ ПО ПОСЛЕДНЕМУ НОМЕРУ

В ОЗУ аппарата хранится последний номер, который показывал индикатор. Вызвать его можно нажатием на кнопку "#". Аппарат выведет номер на индикатор и сделает паузу в течение 2 с. Если не отменить набор кнопкой "*", аппарат наберет номер.

ПРОСМОТР НОМЕРОВ В ОЗУ

Набрать на клавиатуре порядковый номер ячейки ОЗУ. Аппарат выведет номер на индикатор. До истечения 2 с нажать кнопку "*".

ПРОГРАММНЫЙ СБРОС ДЛЯ КОРРЕКЦИИ ЧАСОВ, КАЛЕНДАРЯ И НОМЕРОВ В ОЗУ

Последовательно на клавиатуре набрать "*##3". Аппарат выполнит сброс, перейдет на начало и выдаст на индикатор "tA-21 001". Необходимо выполнить все действия, которые выполнялись при подготовке к работе.

Последовательно набрать "*##5". Аппарат издаст звуковой сигнал и выдаст на индикатор "t АА-ВВ.Е", где АА - часы, ВВ - минуты, Е - 0 или 2. Для сброса показаний нажать на кнопку "*", или через 12 с аппарат сам перейдет в исходное состояние.

ПЕРЕУСТАНОВКА ТАЙМЕРА, РЕЖИМА И НОМЕРОВ В ОЗУ

Последовательно набрать на клавиа туре "*##6". Аппарат издаст звуковой сигнал и выдаст на индикатор "УСт. Бус!" и приглашениеВвести время для таймера и режим, затем все номера в ОЗУ

ИЗМЕРЕНИЕ ЧАСТОТЫ

Подключить аппарат к линии. Для измерения сигнала "Ответ станции" последовательно набрать на клавиатуре "*##1". Аппарат подключится к линии и выведет на индикатор "FF-ХХХГц", где XXX - частота сигнала "Ответ станции". Аппарат в течение 10 с будет индицировать частоту сигнала. После этого он издаст двойной звуковой сигнал, отключится от линии и перейдет в исходное состояние. При отсутствии сигнала на входе аппарат издает двойной звуковой сигнал, выдает сообщение "-HEt SIG-" и переходит в исходное состояние.

Для измерения частоты сигнала Посылка вызова" последовательно на клавиатуре набрать "*##2". Позвонить с другого телефона на номер, к которому подключен аппарат. На индикаторе появится сообщение "ПВ - ХХГц" во время сигнала "Посылка вызова", где XX - частота принимаемого сигнала.

При измерении произвольной частоты аппарат не подключать к линии. Подать измеряемый сигнал на вход частотомера. Включить режим частотомера одним из способов, описанных выше. Отрегулировать уровень сигнала резистором R3, чтобы на индикаторе появились показания.

ВЫВОД НИЗКОЧАСТОТНОГО СИГНАЛА ("ГЕНЕРАТОР")

Последовательно набрать на клавиатуре "*#ХХХУУУПТ##4", где XXX -длительность паузы, УУУ - длительность импульсов в миллисекундах, 111 - число повторов последовательности. Если ТТТ = ООО, число повторов бесконечно. Аппарат подключится к линии и выдаст набранную последовательность. По завершении аппарат выдает сообщение "ВСЕ Bbld." и переходит в исходное состояние. Для повтора набрать на клавиатуре "##4". После первого нажатия на кнопку "#" на индикаторе высветятся параметры.

Для выдачи тональной последовательности абоненту нужно установить с ним соединение любым способом и перевести переключатель в положение "Разговор". Выполнить действия, описанные в начале раздела. После выдачи последовательности аппарат отключится от линии сам. Поскольку для хранения 6 го номера в ОЗУ и параметров генератора используются одни и те же ячейки, после ввода параметров генератора 6-й номер в ОЗУ пропадает.

АВТООТВЕТЧИК

При поступлении вызова аппарат издает звуковой сигнал и выводит на индикатор "ВЫЗОВ-Х.", где X - порядковый номер принятого вызова. После приема третьей посылки аппарат замыкает шлейф, выдает в линию сигнал с частотой 700 Гц в течение 4 с, отключается от линии и переходит в исходное состояние. При желании поговорить нужно переключить переключатель (поднять трубку). Работа автоответчика прервется.

СРАБАТЫВАНИЕ БУДИЛЬНИКА

При совпадении текущего времени с установленным в таймере аппарат издает прерывистый звуковой сигнал. Отключить его можно, нажав на любую кнопку, но в этом случае к таймеру прибавляется единица, т. е. происходит переустановка таймера на новое время (установленное время + 1 минута). Если не нажимать кнопки, по истечении одной минуты аппарат перестанет издавать прерывистый сигнал. Реализованный способ попытки выключить будильник получил название "убегающий будильник". Если пробуждающийся пытается выключить будильник "не осознанно", аппарат производит переустановку будильника на новое время - убегает на одну минуту вперед.

ВЫПОЛНЕНИЕ ЗВОНКА ПО ТАЙМЕРУ (ДИСТАНЦИОННЫЙ БУДИЛЬНИК)

При совпадении текущего времени и таймера аппарат выводит на индикатор второй номер из ОЗУ и выполняет набор по нему. После набора номера выводит в линию звуковой сигнал в течение 12 с, отключается и переходит в исходный режим.

ЛИТЕРАТУРА *

1 Фрунзе А., Хоркин С. Однокристальные микро-ЭВМ. - Радио, 1995, № 1-5.

2. Фрунзе А. Х51 -совместимые микроконтроллеры фирмы ATMEL. - Радио, 1998, № 11, 12; 1999, № 1,2.

Прошивку контроллера можно скачать отсюда: http://izmer-ls.ru/met/telap.zip